Double Girder Overhead Crane is for the lifting and handling task in warehouse, workshop, and power plant, etc. is a double-girder overhead crane with a new style trolley-frame electric hoist. It has the advantages of superior performance, safe, reliable, energy-saving, efficient, and low noise and environmental protection. It is for the lifting and handling task in warehouse, workshop, and power plant, etc.
Features:
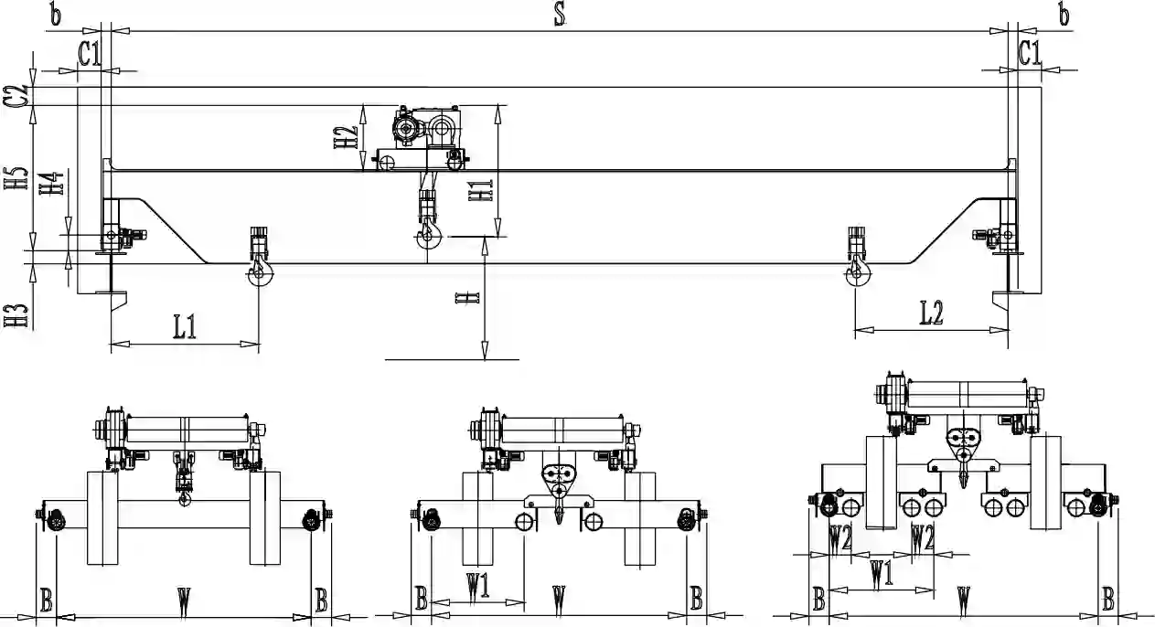
1. Double main girders, box-type shaped by wielding;
2. High quality carbon steel Q235B and Q345B;
3. Double girder connected by high strength screws;
4. Welding seams are tested by X-ray and ultrasound;
5. Forged wheels;
6. Compact structure, small volume and light weight trolley;
7. Lifting mechanism is open type winch trolley;
8. Compact reducer motor drive, step less control, hardened gears and safety disc brake;
9. Good operation performance, step less speed regulating and running smoothly.

The Double Girder Overhead Crane is a highly reliable and efficient solution specifically designed for lifting and handling tasks across a wide array of industrial settings, including warehouses, workshops, and power plants, among others.
1. Warehouse Applications
Optimizing Storage and Logistics
In a bustling warehouse environment, the Double Girder Overhead Crane is a cornerstone of efficient operations. It is equipped to handle a vast range of loads, from large shipping containers filled with consumer goods to pallets stacked high with inventory. Thanks to its robust double - girder structure, it offers enhanced stability and a significantly higher lifting capacity compared to some other crane types. This enables it to effortlessly lift and transport heavy loads over long distances within the warehouse.
For instance, when new shipments arrive at the receiving dock, the crane can quickly hoist the containers or pallets and precisely place them in the designated storage areas. During order fulfillment, it efficiently retrieves the required items and transfers them to the packing or shipping zones. By streamlining these storage and retrieval processes, the crane helps to minimize handling times and reduce the risk of product damage, ultimately enhancing the overall productivity of the warehouse.
2. Workshop Applications
Facilitating Complex Manufacturing Processes
Within workshops engaged in diverse manufacturing activities, the Double Girder Overhead Crane provides essential support. In heavy - duty manufacturing sectors such as metal fabrication, it is used to lift and position large steel plates, beams, and machinery parts during the assembly process. The crane's precise control and high lifting capacity allow workers to accurately align and join components, facilitating the creation of complex structures and machinery.
In more delicate manufacturing fields like aerospace or high - tech electronics, the crane is also a valuable asset. Although the loads may be lighter in weight but require extreme precision, the Double Girder Overhead Crane's smooth operation and accurate positioning capabilities ensure that delicate components can be safely moved and installed. Whether it's handling large aircraft wing sections or placing intricate circuit boards, the crane meets the diverse requirements of different workshops, contributing to the seamless execution of manufacturing processes.
3. Power Plant Applications
Ensuring Safe and Reliable Power Generation
Power plants rely heavily on the Double Girder Overhead Crane for a variety of critical tasks. During the construction and maintenance of power generation facilities, the crane is used to handle massive components such as turbine generators, boilers, and transformers. These components are not only extremely heavy but also require careful handling to ensure proper installation and functionality.
The crane's sturdy build and reliable performance make it well - suited for the harsh and demanding conditions of a power plant. It can operate in high - temperature environments, near large amounts of electrical equipment, and in areas with limited space. For example, during routine maintenance of a power plant's turbines, the Double Girder Overhead Crane can safely lift out the worn - out components and replace them with new ones, minimizing downtime and ensuring the continuous and stable operation of the power generation process.
